导航切换
扬州市建筑产业现代化发展促进会
注册
登录
首页
政策法规
新闻资讯
企业展示
产品展示
资料下载
质量追溯系统
业务平台入口
首页
国家规范
国家规范
省级规范
本市规章
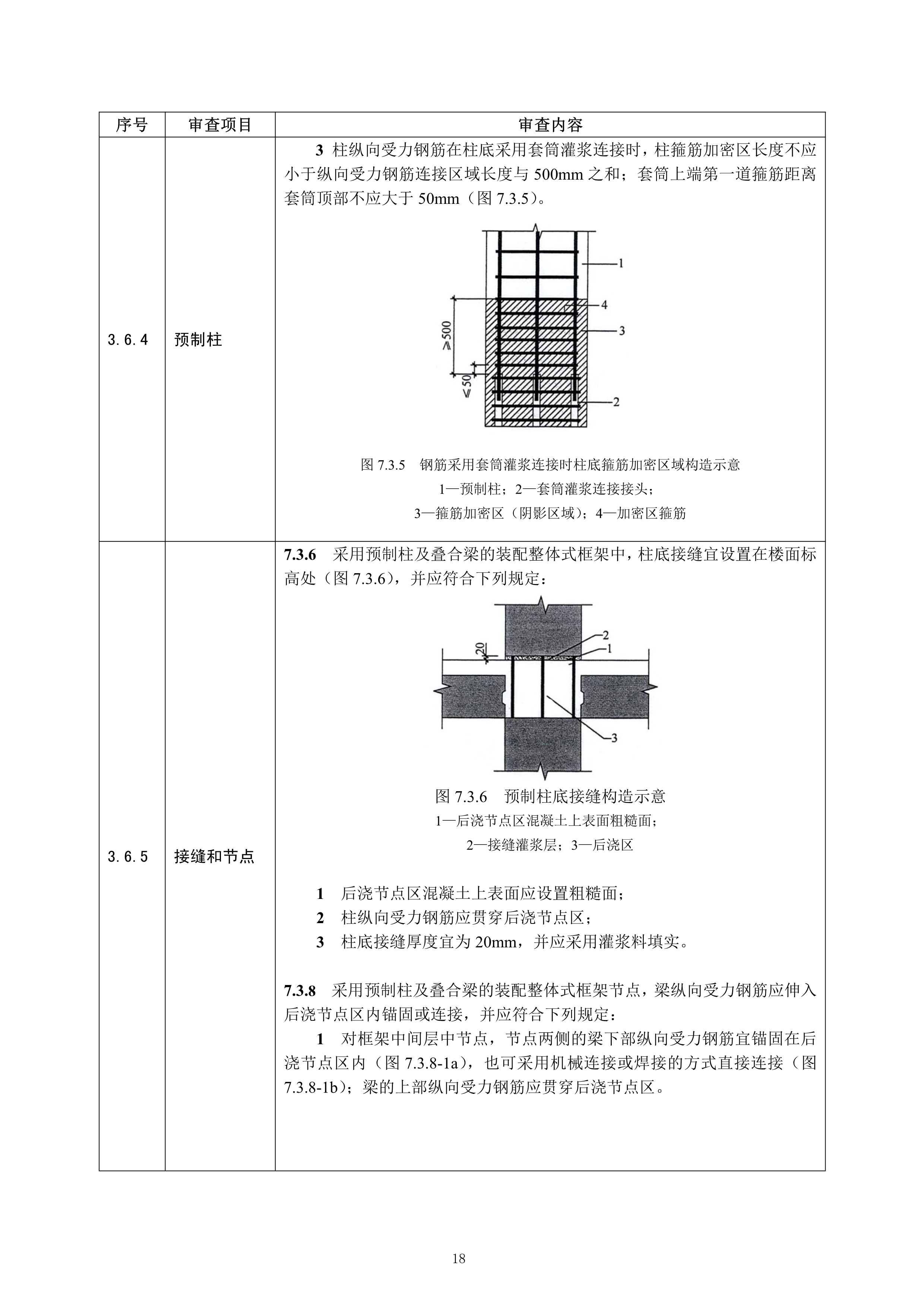
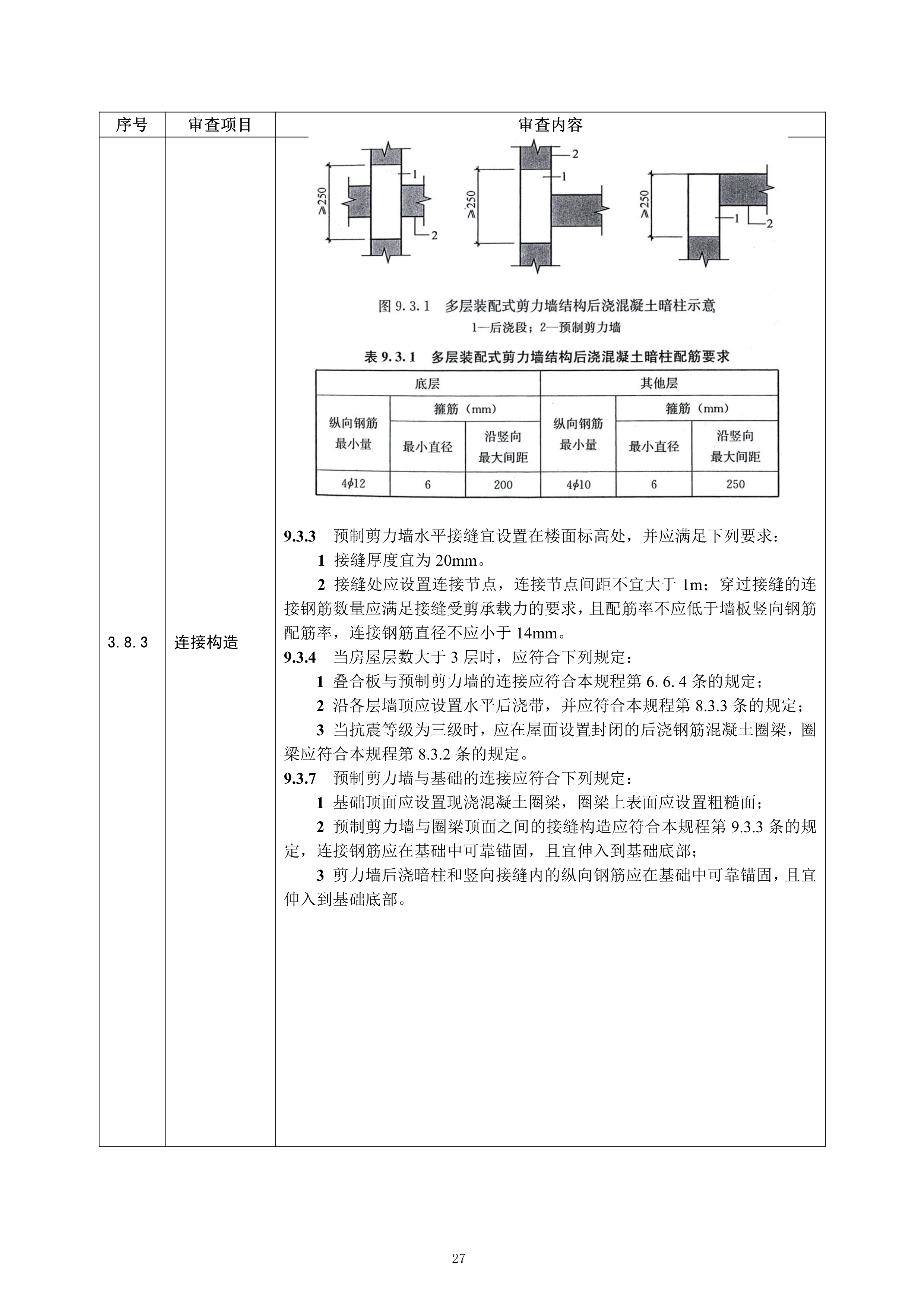
关于印发装配式混凝土结构建筑工程施工图设计文件技术审查要点的通知
发布时间: 2019-07-22 19:15:40 浏览次数:1925
上一篇:国家标准GB/T50378-2019《绿色建筑评价标准》
下一篇:国务院办公厅关于大力发展装配式建筑的指导意见