导航切换
扬州市建筑产业现代化发展促进会
注册
登录
首页
政策法规
新闻资讯
企业展示
产品展示
资料下载
质量追溯系统
业务平台入口
首页
国家规范
国家规范
省级规范
本市规章
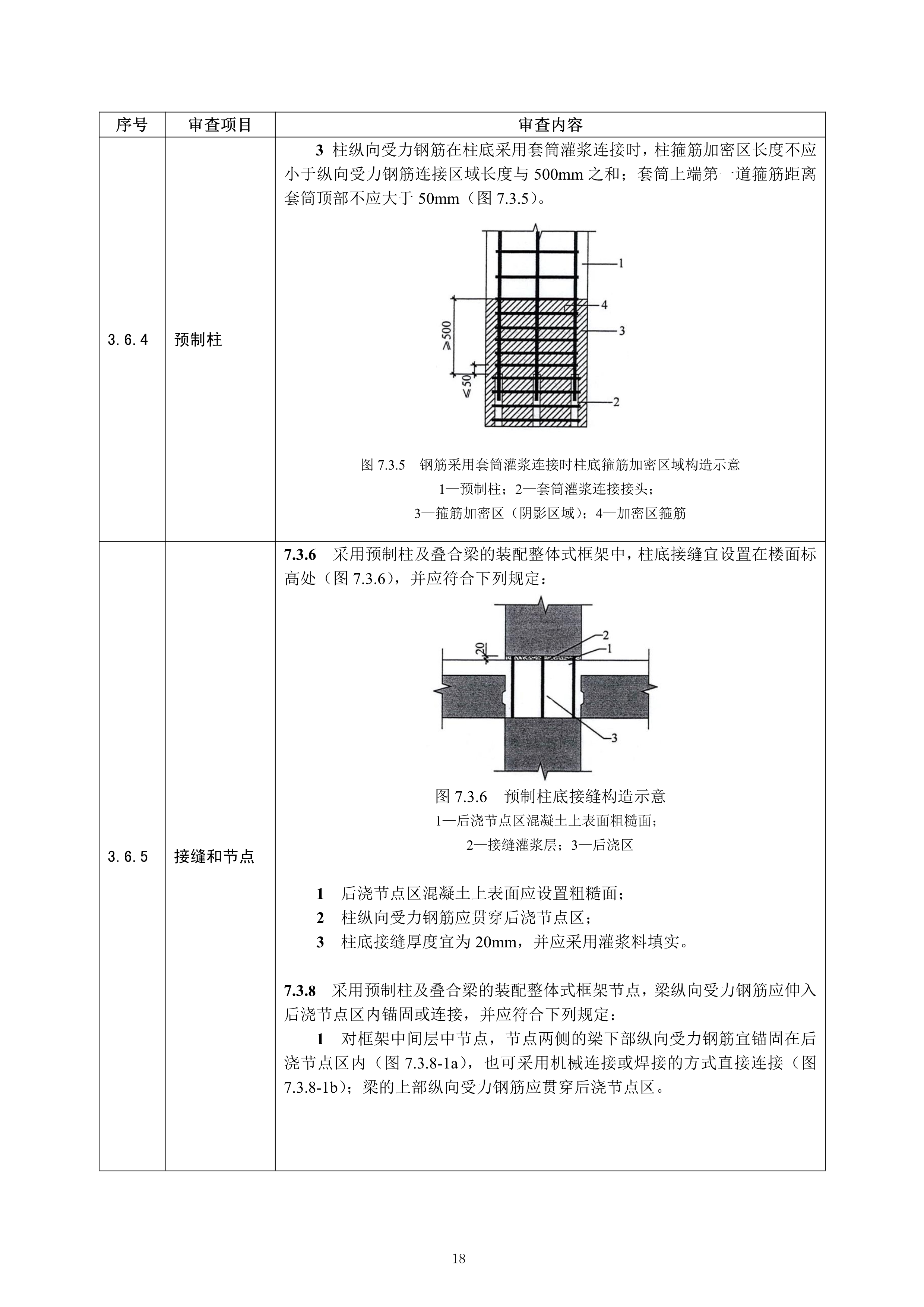
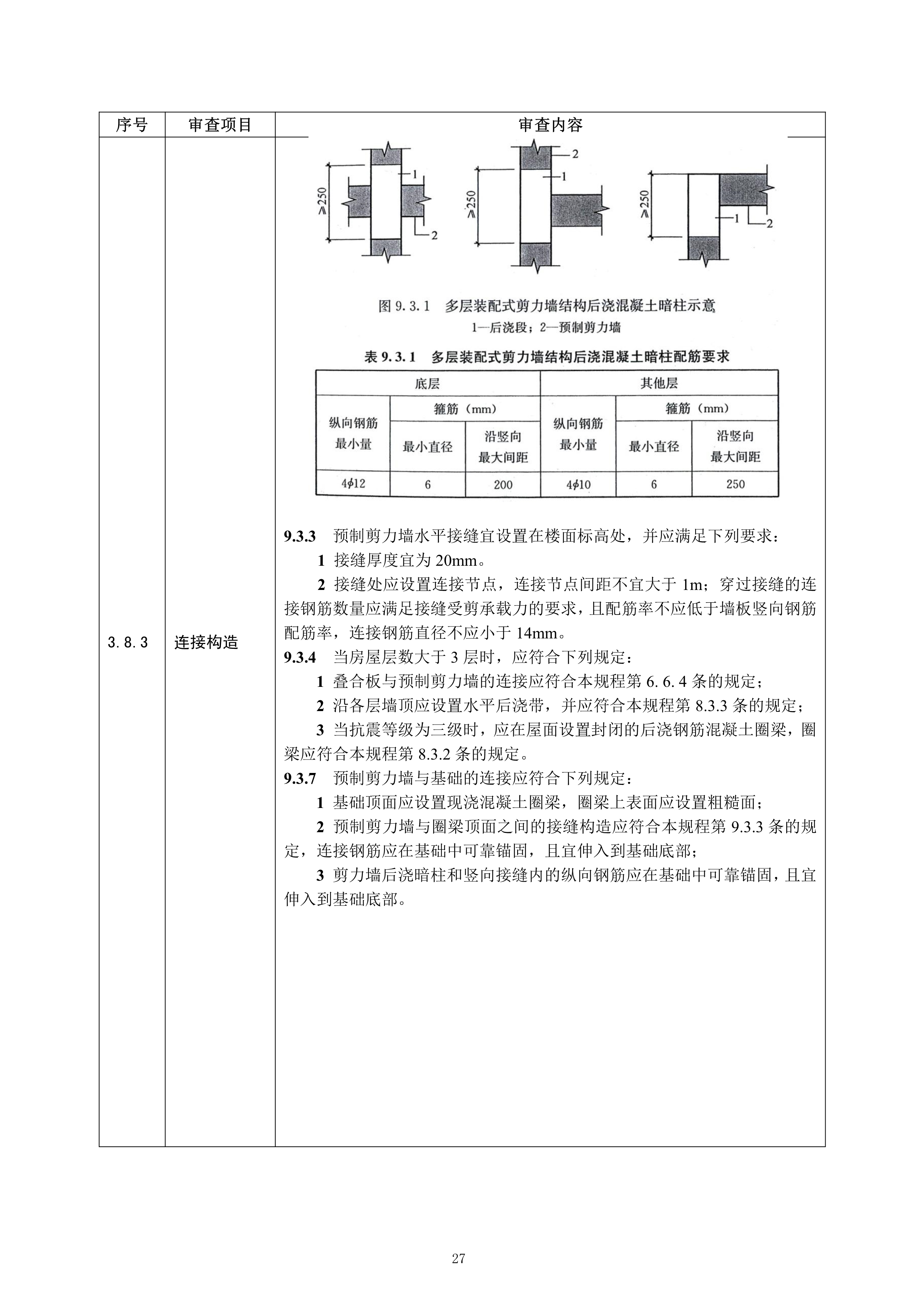
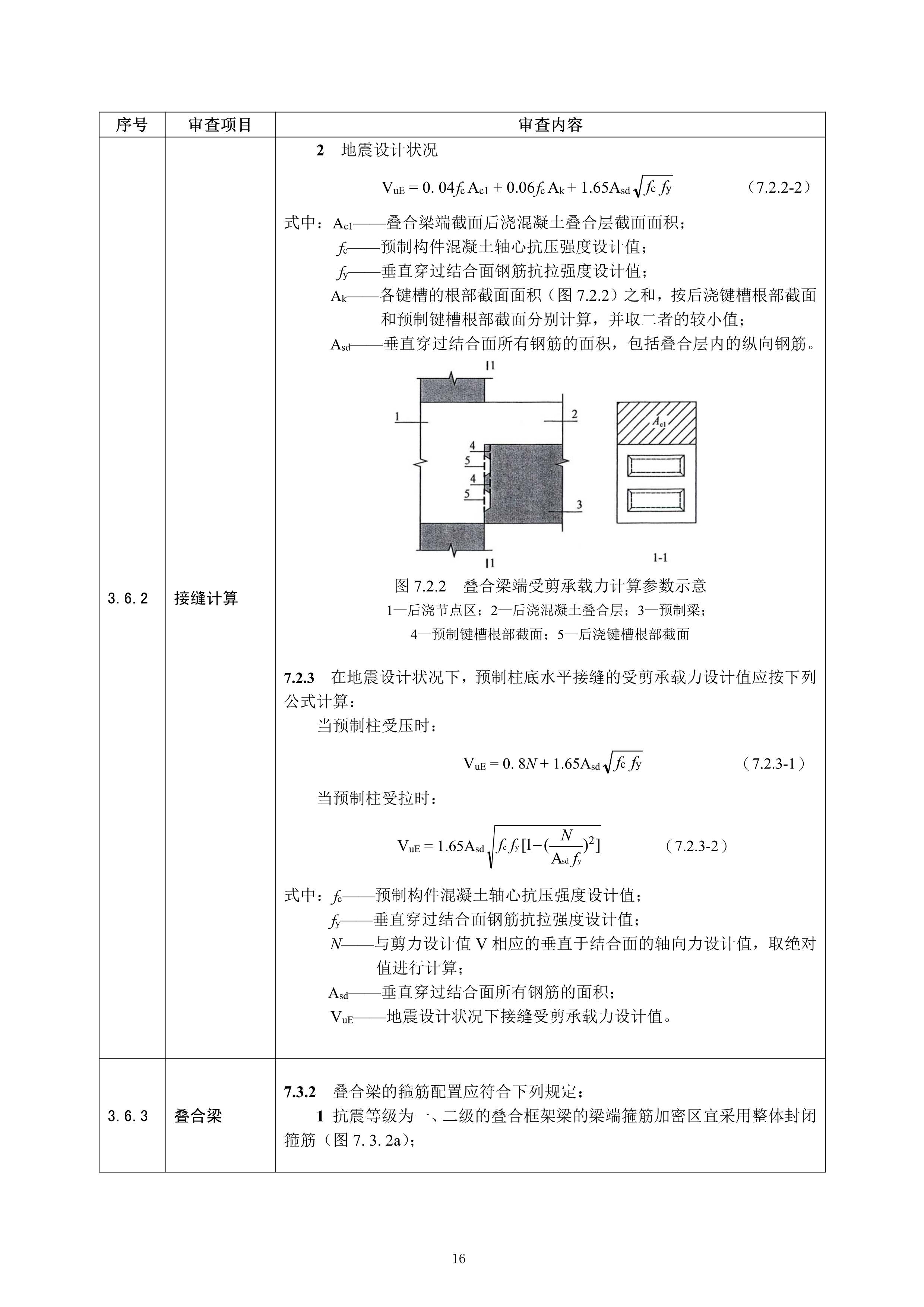
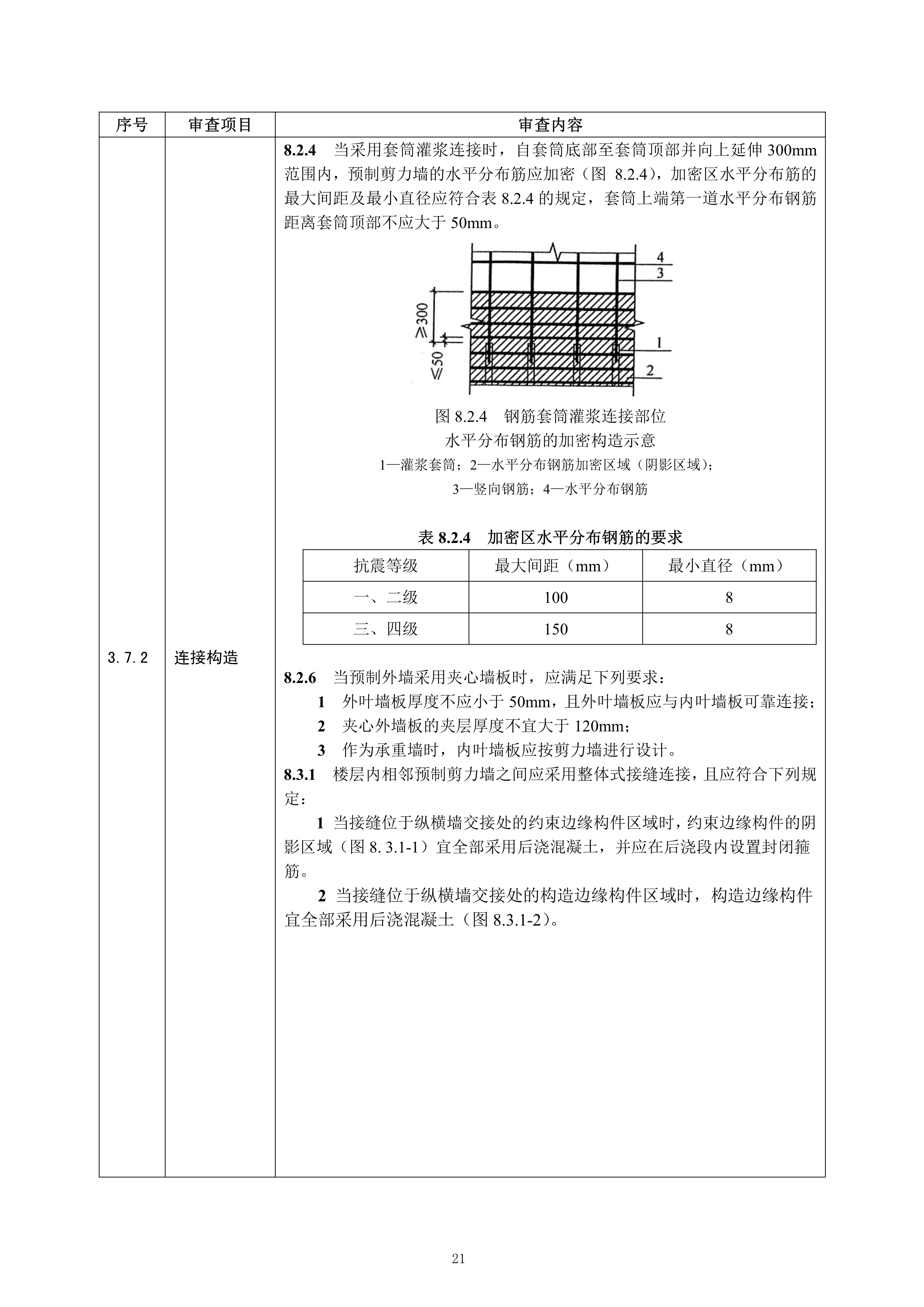
住房和城乡建设部关于印发装配式混凝土结构建筑工程施工图设计文件审查要点的通知
发布时间: 2019-07-27 15:21:33 浏览次数:4815
上一篇:国务院办公厅关于促进建筑业持续健康发展的意见
下一篇:住房城乡建设部关于 进一步推进工程总承包发展的若干意见